Для загрузки систем нулевого базирования
Устройства транспортировки и перемещения паллет с за-готовкой, позволяющие оператору быстро и удобно пере-мещать тяжелые комплекты оснастки в зону обработки станка, стол наладки или стеллаж.
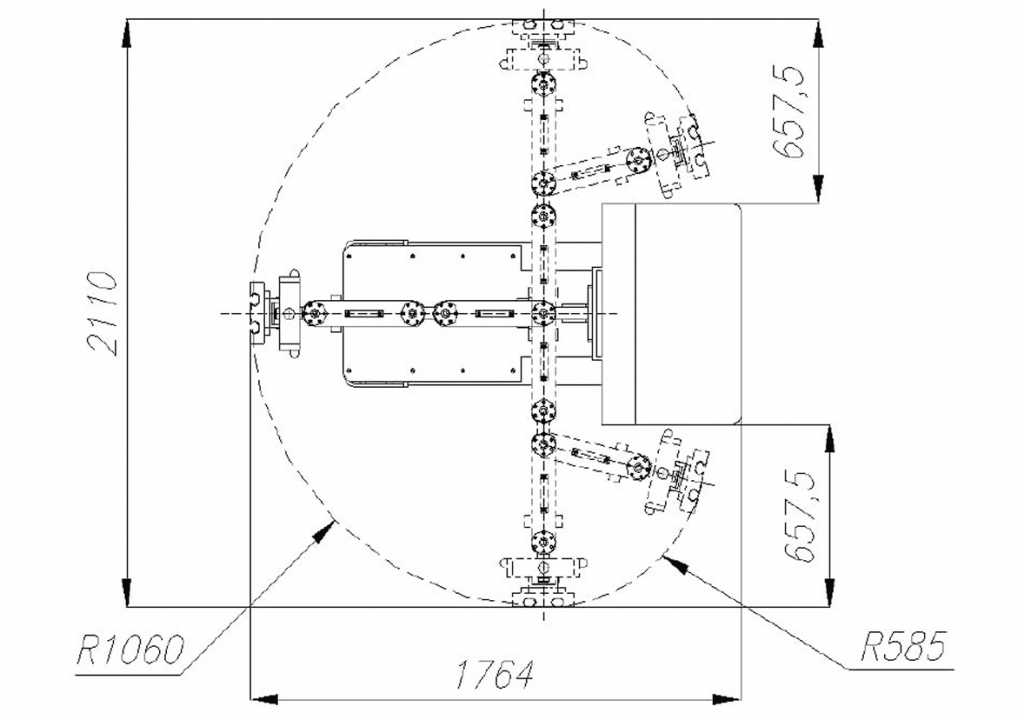
ГР-021101
Передвижной
манипулятор
- Грузоподъемность:
- 80 кг (250 кг)
- Вылет кронштейна двухплечевого, не менее:
- 1050 мм
- Скорость перемещения манипулятора:
- 1,4-1,8 км/ч
- Скорость перемещения каретки:
- 20 мм/с, 75 мм/с, 130 мм/с
- Максимальный ход каретки:
- 1300 мм
- Размеры (при сложенной руке):
- 2000 мм (2650мм) х 1500 мм х 1050 мм
- Масса не более:
- 620 кг

Гр-021102
Стационарный
манипулятор
- Вылет кронштейна двухплечевого, не менее:
- 1040 мм
- Скорость перемещения манипулятора:
- -
- Скорость перемещения каретки:
- 2 мм/с, 8 мм/с
- Максимальный ход каретки:
- 1290 мм
- Размеры (при сложенной руке):
- 2550 мм х 670 мм х 520 мм
- Масса не более:
- 290 кг
